Robux Hack With Inspect
  • Dmca
  • Contact
  • Privacy Policy
  • Copyright

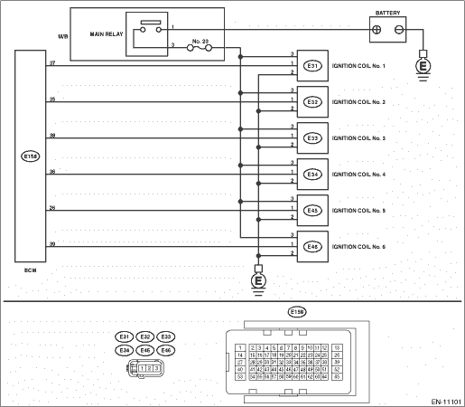
P0352 Ignition Coil B Location

Gsic Global Service Information Center

Gsic Global Service Information Center

Description Dtc P0351 Ignition Coil A Primary Secondary

Description Dtc P0351 Ignition Coil A Primary Secondary

Dtc P0351 Ignition Coil A Primary Secondary Circuit Dtc P0352

Dtc P0351 Ignition Coil A Primary Secondary Circuit Dtc P0352

P0352 2008 Ford Fusion Which Cylinder Uses Coil B Primary

P0352 2008 Ford Fusion Which Cylinder Uses Coil B Primary

Has Anyone Resolved Their Ignition Coil Cel Issues P0351 P0352

Has Anyone Resolved Their Ignition Coil Cel Issues P0351 P0352

John Deere Xuv Gator Utility Vehicle 825i S4 Repair Service
Search Q Ford F150 Ignition Coil C Location Tbm Isch
P0352 Chrysler Questions Answers With Pictures Fixya
Location Of Ignition Coil Primary Secondary Circuit Malfunction In
Dtc P0351 Ignition Coil A Primary Secondary Circuit Dtc P0352
Toyota Sienna Service Manual Ignition Coil Primary Secondary
Dtc P0352 Settled After Removing Cable And Plugging In Back On
Can You Tell Me Where Is Igition Coil B Located
Toyota Corolla Repair Manual Circuit Description Ignition Coil
P0352 Ford Code Meaning Causes Symptoms Tech Notes
Solved Engine Codes P0354 P0351 Engine Skips Low Power Fixya
Description Dtc P0351 Ignition Coil A Primary Secondary
2003 Ford F250 Ignition Coils Coil Packs Araparts
P0352 Ignition Coil B Primary Secondary Circuit Malfunction لم
Dtc P0351 Ignition Coil A Primary Secondary Circuit Dtc P0352
P0352 Ignition Coil B Primary Secondary Circuit Malfunction
P0352 Ignition Coil What Is The Correlation To Numbers
Toyota Corolla Repair Manual Circuit Description Ignition Coil
P0352 2008 Ford Fusion Ignition Coil B Primary Secondary Circuit
Gsic Global Service Information Center
2009 Toyota Corolla Ignition System Electrical Problem 2009
Restricted Performance On And Off Page 2 Jaguar Forums
P0352 2007 Toyota Highlander Ignition Coil 2 Primary Secondary Circuit
Di121 Ignition System Distributor Free 30 Day Trial Scribd
Ignition Coil B Primary Secondary Circuit Malfunction لم يسبق له
Solved Ignition Parts Fixya
Description Dtc P0351 Ignition Coil A Primary Secondary
P0352 Ignition Coil B Primary Secondary Circuit Malfunction
Toyota Corolla Repair Manual Circuit Description Ignition Coil
Crank But No Start Codes For All 8 Coils Clublexus Lexus Forum
I Have A 2006 Toyota Avalon With An Intermittent Miss I Had A
Changed Coil Plug Still Restricted Performance Jaguar Forums
Time For A New Pcm Or What Taurus Car Club Of America Ford
Dtc P0351 Ignition Coil A Primary Secondary Circuit
P0352 Ignition Coil B Primary Secondary Circuit Malfunction
Subaru Legacy Service Manual Dtc P0351 Ignition Coil A Primary
Toyota Rav4 Service Manual Ignition Coil Diagnostic Trouble
Toyota Venza Ignition Coil A Primary Secondary Circuit P0351
2007 Es350 Lexus Dtc P0351 Ignition Precise Auto Works Facebook
Dtc P0351 Ignition Coil A Primary Secondary Circuit Dtc P0352
Cadillac Deville P0351 And P0352 Ignition Coil A And B Location
Where Is Ignition Coil 2 Tacoma World
Description Dtc P0351 Ignition Coil A Primary Secondary
09 Toyota Corolla Ignition Coil Youtube
Description Dtc P0351 Ignition Coil A Primary Secondary
P0351 P0352 P0353 P0354
2
Toyota Venza Ignition Coil A Primary Secondary Circuit P0351
Can You Tell Me Where Is Igition Coil B Located
Toyota Tundra P0352 Ignition Coil B Primary Secondary Circuit
Toyota Sienna Service Manual Ignition Coil Primary Secondary
I Have A Code On A E350 2009 It Is P0352 Ign Coil Prim Sec
Dtc P0351 14 Ignition Coil A Primary Secondary
Ford Focus P0351 P0352 P0353 P0353 Ignition Coil Repelacement 2012
P0351 P0352 P0353 P0354
Learning Ignition Systems Technical Focus Snap On
Can You Tell Me Where Ignition Coil B On Lexus 2007 Rx350
Mercedes Ignition Coil Pack Replacement Diy Instructions Mb Medic
Https Testing Public Carmd Com Tsb Download 119932 Si107280
Ignition Coil Malfunction Misfire In All 6 Cylinders Clublexus
Ignition Coil B Primary Secondary Circuit Malfunction لم يسبق له
P0351 P0352 P0353 P0354
Https Encrypted Tbn0 Gstatic Com Images Q Tbn 3aand9gctp8ugvgyl61dtxu1woulzrmktnmag9b Q5hcvdruhbuyvtahqs Usqp Cau
P0352 2008 Toyota Camry Ignition Coil 2 Primary Secondary Circuit
Ignition Coils Hyundai Forums
Oldsmobile Aurora P0352 Ignition Coil B Primary Secondary
Restricted Performance On And Off Page 2 Jaguar Forums
How To Fix Code P0351 P0352 P0353 P0354 Ignition Coil Engine Light
3ur Fe Engine Control Sfi System P0351 Ignition Coil A
Dtc P0351 Ignition Coil A Aa Primary Highlander Club
Https Encrypted Tbn0 Gstatic Com Images Q Tbn 3aand9gcqdcailsm6fpxy9i2wwvr7zyknft0wv83wpv7cpv18j24bjexhj Usqp Cau
Partsavatar Ca Repair Obd Error Code P0352
Avalon Runs Rough And Lacks Power
Toyota Rav4 Service Manual Ignition Coil Diagnostic Trouble
Gsic Global Service Information Center
Https Encrypted Tbn0 Gstatic Com Images Q Tbn 3aand9gcrldqpx3bd82w306fq072ipoywtzomijoojbu28qori7kmpvlgg Usqp Cau
Toyota Tundra 2015 Year Manual Part 1550
Toyota Sienna Service Manual Ignition Coil Primary Secondary
Gsic Global Service Information Center
Cadillac Deville P0351 And P0352 Ignition Coil A And B Location
Can You Tell Me Where Is Igition Coil B Located
Toyota Sienna Service Manual Ignition Coil A Primary
P0352 Ignition Coil B Primary Secondary Circuit Malfunction
Gsic Global Service Information Center
Http Www Ft86club Com Forums Attachment Php Attachmentid 101559 Stc 1 D 1422657737
My 2006 Toyota Avaon Give A P0352 Ingition Coil Primary Secondary
Toyota Corolla Repair Manual Circuit Description Ignition Coil
Partsavatar Ca Repair Obd Error Code P0352
Techdoc
Subaru Crosstrek Service Manual Dtc P0351 Ignition Coil A
P0351 P0352 P0353 P0354
Toyota Sienna Service Manual Ignition Coil Primary Secondary
Subaru Legacy Service Manual Dtc P0351 Ignition Coil A Primary
Toyota Sienna Service Manual Ignition Coil Primary Secondary
How To Fix Codes P0351 P0352 P0353 P0354 P0355 P0356 P0357 P0358
2007 Es350 Lexus Dtc P0351 Ignition Precise Auto Works Facebook
Toyota Sienna Service Manual Ignition Coil Primary Secondary
3ur Fe Engine Control Sfi System P0351 Ignition Coil A
P0351 P0352 P0353 P0354

Random Posts

  • Robux Free Onlinecom
  • Fe2 Map Ids 2020
  • Roblox Winter Hats For Boys
  • Work At A Pizza Place On Roblox Games
  • Wwwrobloxcom Games For Free
  • Roblox Zombie Apocalypse Season 3 Ep 19
  • Roblox Crash Script 2020
  • Transparent Roblox T Shirt Ideas
  • Panda Helper Download Ios 12
  • Google Play Store App Download For Android Free
Dmca Contact Privacy Policy Copyright